Москва, Большой Саввинский пер., д.9, стр. 3
Москва, Большой Саввинский пер., д.9, стр. 3
| Выключатель типа "тумблер" для всех танков и самолетов РККА. СССР, копия
Артикул: 103219

Выключатель типа "тумблер" для всех танков и самолетов РККА. СССР, копия

4 500 ₽
  • Описание
Выключатель типа "тумблер" для танков и самолётов РККА, действующая копия идеального качества.
Металлические элементы выключателя сделаны из латуни и покрыты никелем (как оригинал) корпус выключателя и шарик из бакелита, также как в оригинале (не пластмасса).


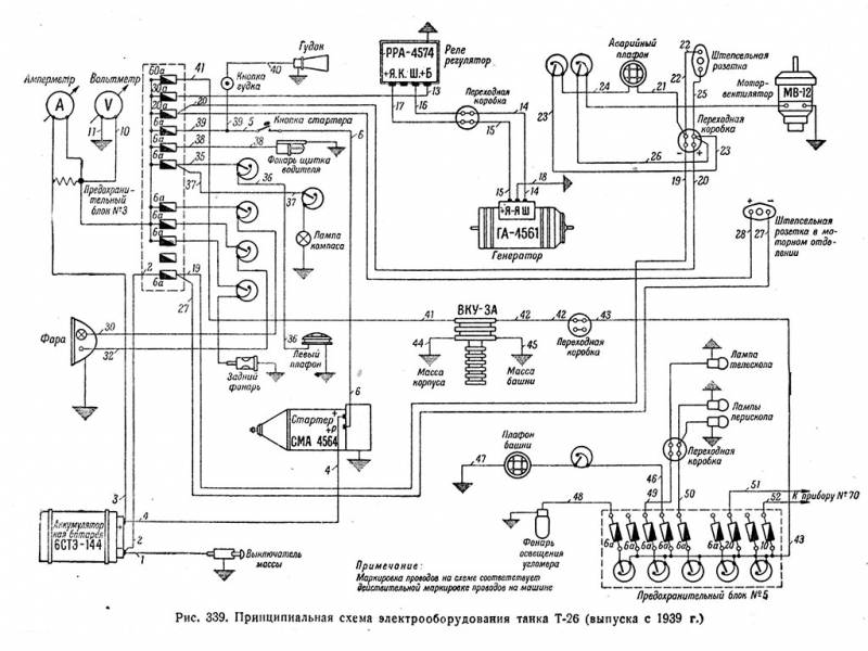
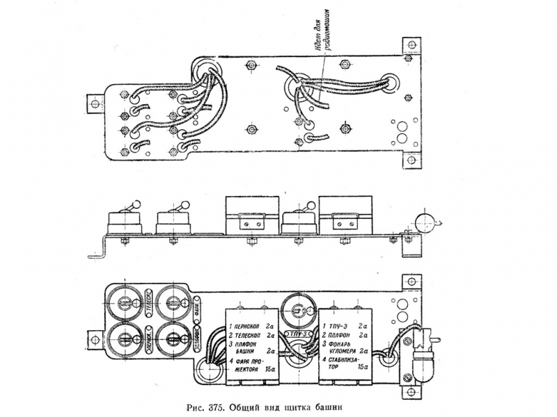
Для примера показаны страницы из наставления по обслуживанию танка Т-26.
Такие выключатели использовались во всех танках и бронемашинах Красной Армии, а также в большинстве самолетов РККА, в самолёте И-16 и прочих.
Бронемашины и танки имели от 4 до 17 выключателей типа тумблер.
В бронеавтомобиле БА-64 (шасси, как у газ 67б) было 4 выключателя, танки Т60, Т70  также имели по четыре выключателя, а в танках ИС и КВ, судя по наставлениям, четыре на приборной панели водителя и еще минимум четыре в башне.
Судя по сохранившимся наставлениям, больше всего переключателей было в Т-26, на приборной панели 4 шт, в башне 4 шт, 5 шт на щитке предохранителей, 2 шт на аварийное освещение и 2 шт на подсветку прицела.
Т-34 имел на приборной панели 4 штуки, по башне и прицелу, возможно, как у Т-26.
4 шт было в тягаче "Комсомолец".
Читать целиком
К этому товару еще нет отзывов,
поделись своими впечатлениями первым!
Смотрите также
Просмотренные товары
Пуговица гренада, белая, 22 мм, Россия, копия
Добавить в корзину
Книга "Азовское осадное сидение 1641 года"
Добавить в корзину
Выберите рассылку
SSL